|

EAGLE GU-160型爪式千斤頂特點:
1、EAGLE GU-160型爪式千斤頂材質優、做工細、壽命長、安全級別高;
2、EAGLE GU-160型爪式千斤頂多段式設計,輔助爪可按照使用要求拆卸,也可自動調節高度,適用于頂升空間受限制場合;
3、EAGLE GU-160型爪式千斤頂適用于環境施工、土木、設備搬運、精密儀器安裝、防災救援等場合。
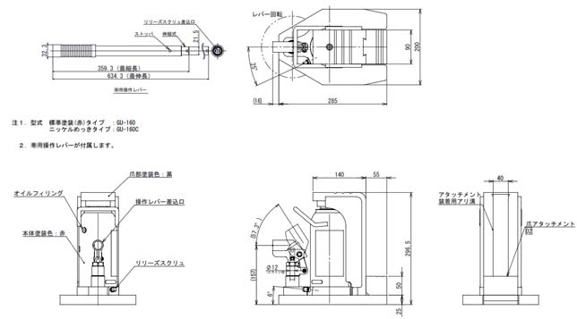
EAGLE GU-160型爪式千斤頂尺寸參數:

|
型號
|
載荷
|
小/爪高(mm)
|
小/頭高(mm)
|
行程
(mm)
|
底座寬度(mm)
|
底座長度(mm)
|
滑塊高度
(mm)
|
爪長
(mm)
|
自重
(kg)
|
|
頭部
|
爪部
|
|
GU-60
|
6
|
3
|
19
|
229.5
|
115
|
155
|
236
|
69
|
50
|
15
|
|
GU-100
|
10
|
5
|
22
|
288
|
130
|
183
|
262
|
72
|
55
|
23
|
|
GU-160
|
16
|
8
|
25
|
233
|
136
|
200
|
285
|
75
|
55
|
30
|
|
GU-200
|
20
|
10
|
28
|
333
|
140
|
230
|
300
|
78
|
60
|
40
|
特別說明:GU-60、GU-100型爪式千斤頂可橫向使用。
GU型千斤頂系列所有產品均可定制無塵型爪式千斤頂。
GU型爪式千斤頂與G型爪式千斤頂對比圖:
.jpg)
保質承諾
EAGLE GU-160型爪式千斤頂屬于日本鷹牌EAGLE JACK品牌產品,保質12個月,凡客戶從我公司定購此品牌產品如收到貨物時發現有假貨仿貨均以100倍金額賠償。 |